无锡强泰机械
产品中心 / 专业从事气泵,旋涡气泵,层叠式吹吸气泵生产
首页 > 产品中心
防爆旋涡气泵


工作原理及特点
旋涡气泵的叶轮由数十片叶片组成,它类似庞大的气轮机的叶轮。叶轮叶片中的空气受到了离心力的作用向叶轮的边缘云运动,在那里空气进入泵体的环形空腔,然后又返回叶轮,重新从叶轮的起点以同样的方式再进行循环。叶轮旋转所产生循环气流,以级高的能量离开气泵以供使用。
旋涡气泵采用专用电机,结构紧凑、体积小、重量轻、噪音低。送出的气源无水无油。

用途及使用范围
XGB型旋涡气泵是一种吹气或吸气两用的通用气源。它主要用于:切纸机、燃烧降氧机、卷烟滤嘴成型机,电镀槽液搅拌、雾化干燥机、水处理爆气、养鱼增氧、丝网印刷机、照相制版机、注塑机、自动上料烘干机、液体灌装机、粉末灌装机、电焊设备、电影机械、纸张输送、干洗衣服的清洁、空气除尘、干瓶、气体传送、清洁吹干、粉沫冶金、工业吸尘、食品、包装、收集等方面。

使用和维护
气泵应放置在较平稳的地方,周围环境应清洁、干燥、通风。
气泵叶轮旋转方向必须与风扇罩壳上所标箭头方向一致。
像一般电动机一样定期维修和给两端轴承加润滑脂。(3#二硫化钼锂基脂或7018高速润滑 脂)
进出口两端的过滤网和消音器应根据情况适时清洗,以免堵塞影响使用。
气泵出气口与外管道之间应使用增强橡胶(或塑料)管软联接。

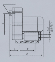
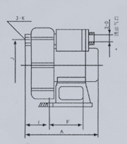
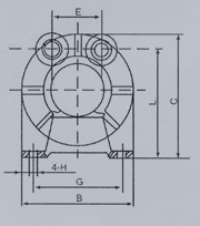
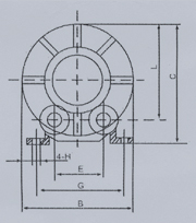
XGB型旋涡气泵外形尺寸图

XGB型旋涡气泵气泵技术参数

型号 1 2 3 4 5 6G 7 8 9
大压力kpa 65 60 50 33 30 40 26 11 24
大真空度kpa 36.5 35 30 26 21 29 20 10 16
大气流m3/h 280 780 720 320 280 360 180 40 150
电动机 电压v 380 380 380 380 380 380 380 1Φ×220v
3Φ×380v
380
功率kw 7.5 15 11 4 3 5.5 2.2 0.38 1.5
型号 Y132S 2 Y160M 2 Y112M 2 Y100L 2 Y132S 2 Y90L 2 AO7112 AO8032
外形尺寸mm A 950 700 700 440 424 530 370 275 340
B 420 616 620 436 415 480 390 250 360
C 450 660 680 470 450 540 410 265 390
联接尺寸mm D M75×2 G4 G4 M75×2 M75×2 M75×2 G2" G1×1/4 G2"
E 194 140 134 150 130 87 118
安装尺寸mm F 400 400 200 200 216 200 80 200
G 500 530 310 305 350 305 200 305
H Φ14 Φ12 Φ12 Φ14 Φ12 Φ10 Φ12
I 230 150 68 168 60 74 50
J Φ420 Φ341 Φ330 Φ380 Φ235 Φ140 Φ218
K M12 M10 M10 M10 M10 M8 M10
L 600 410 364 470 334 218 308
重量kg 90 250 230 70 55 130 40 16 35
图-2 图-2 图-2 图-1 图-2 图-1 图-1 图-1
10 11 12 13 14 15 16 17
50 18 14 16 42 80 50 55
31 15 11 12 30 45 30 35
950 120 100 110 480 1000 680 180
380 1Φ×220v
3Φ×380v
1Φ×220v
3Φ×380v
1Φ×220v
3Φ×380v
380 380 380 380
18.5 1.1 0.55 0.75 7.5 22 7.5 5.5
Y160L 2 JW7132 JW7112 JW7122 Y132S 2 Y132S 2 Y132S 2
700 330 320 320 530 600 950
616 324 310 310 510 620 420
660 350 340 340 565 640 430
G4" G1×1/2 G1×1/2 G1×1/2 M75×2 G4" M75×2
165 108 100 108 158 158
400 180 180 180 170 300 170
500 280 280 280 350 430 350
Φ14 Φ10 Φ10 Φ10 Φ14 Φ14
188 45 134 45 180 180
/ Φ190 Φ200 Φ200 400 Φ400
/ M8 / M8 M10 M12
600 270 256 270 488 488
215 21 18 21 145 290 170 170
图-2 图-1 图-1 图-1 图-2 图-2

XGB型旋涡气泵曲图

返回产品列表
COPYRIGHT © 无锡强泰机械制造有限公司 ALL RIGHT
地址:无锡市锡山经济开发区芙蓉二路98号   电话:0510-88263092   传真:0510-88263092
邮箱:sales@wxqtqb.com   网址:http://www.wxhtqb.com
无锡网络公司:君通科技
苏ICP备08018787号-1